Polovodičový regulátor pro alternátory a dynama RM-7V/P
Regulátor je náhrada za původní regulátor pro motocykly značky JAWA, ČZ a BMW. Toto regulační relé je plná náhrada za za dvoucívkové relé Magenton 443 116 401 640 a za jedno cívkové Magneton. Je možno ho použít se všemi motocykly JAWA s dynamem. Regulátor pracuje v regulačním kmitočtu 10 až 600 Hz. Pro dynama větší než 45W je nutno použít cívkový reulátor.
| Název motocyklu / Zdroj proud |
Regulátor | Kostra | Originál zapojení |
| 125 cm2 | |||
| Jawa ČZ 125 typ 453/05 dynamo 6 V, 45 W |
RM-7V/P | + | not yet |
| Jawa ČZ 125/175 typ 355/356 dynamo 6 V, 45 W |
RM-7V/P | + | not yet |
| Skůtr Čezeta 175 typ 502/01 dynamo 6 V, 45 W |
RM-7V/P | + | not yet |
| Skůtr Čezeta 175 typ 502/06 dynamo 6 V, 45 W |
RM-7V/P | + | not yet |
| Jawa ČZ 175 typ 450/05 dynamo 6 V, 45 W |
RM-7V/P | + | not yet |
| 250 cm2 | |||
| Jawa ČZ 250 typ 455/05 dynamo 6 V, 45 W |
RM-7V/P | + | not yet |
| Ogar 250 ccm dynamo 6 V, 50 W |
RM-7V/N | - | not yet |
| Jawa 250 ccm - Pérák dynamo 6 V, 45 W |
RM-7V/N | - | not yet |
| Jawa 250 ccm typ 353/03-kývačka dynamo 6 V, 45 W |
RM-7V/P | + | not yet |
| Jawa 250 ccm typ 559/04 dynamo 6 V, 45 W |
RM-7V/P | + | not yet |
| Jawa 250 ccm typ 11 dynamo 6 V, 45 W |
RM-7V/N | - | not yet |
| 350 cm2 | |||
| Jawa 350 ccm typ 16 dynamo 6 V, 45 W |
RM-7V/N | - | not yet |
| Jawa ČZ 350 ccm typ 354/03 dynamo 6 V, 45 W |
RM-7V/P | + | not yet |
| Jawa 350 ccm typ 360/00 dynamo 6 V, 45 W |
RM-7V/P | + | not yet |
| Jawa 350 ccm - typ 18 dynamo 6 V, 45 W |
RM-7V/N | - | not yet |
| Jawa 350 ccm - typ 639 alternátor |
PH-14V/K | - | not yet |
| 500 cm2 | |||
| Jawa 500 ccm typ 15 dynamo 6 V, 60 W |
443 116 - 401 64 | - | not yet |
Výčet motocyklů není kompletní. Regulátor lze použít pro všechny motocykly JAWA, ČZ a BMW vyrobených s dynamem.
Napájecí napětí [ V ]
7
Rozsah pracovních teplot
-40°C až + 90°C
Max. budící proud [ A ]
4.5
Kostra motocyklu
+
Stupenň krytí
IP 54 dle ČSN EN 60 529
Hmotnost
50 g
Rozměry [ mm ]
128x69x33
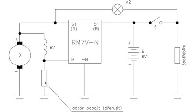
Zapojení regulátoru 
Kontakty
ELKOMP Kroměříž,
spol. s r. o.
Altýře 1471/1C
767 01 Kroměříž
Tel/Fax: +420 573 330 491
e-mail: elkomp@elkomp.cz
Podle zákona o ochraně osobních údajů 101/2000 Sb., Zákona č. 127/2005 Sb. o elektronických komunikacích a zákona č. 480/2004 Sb. jsme povinni Vás informovat, že veškeré nakládání s Vašimi osobními údaji provádí naše společnost v souladu s platnou legislativou, zejména nařízením Evropského parlamentu a Rady (EU) 2016/679 o ochraně fyzických osob v souvislosti se zpracováním osobních údajů a pohybu těchto údajů (GDPR). Adresy dodavatelů a zákazníků jsou uloženy a bezpečně zajištěny. Vaši elektronickou adresu využíváme výhradně v rámci vzájemného obchodního styku.
Napište nám


